Вернуться к содержанию номера: «Горизонт», № 12(74), 2025.
Ценным свойством волоса как объекта исследований является его устойчивость к воздействию природных факторов. Волосы животных, погибших сотни лет назад, в том числе и съеденных хищниками (подвергшиеся воздействию желудочного сока и пищеварительных ферментов), сохраняют свои основные особенности, характерные для того или иного животного, и могут быть исследованы. (В. Соколов. Определение отрядов млекопитающих по структуре волос. Москва. Наука. 1980).
Волосы млекопитающих делятся на несколько типов:
- направляющие 1—3 порядков,
- остевые 1—4 порядков,
- пуховые 1—4 порядков,
- вибриссы.
Любой волос представляет собой цилиндрический стержень диаметром несколько микрон (мкм) и длиной от нескольких миллиметров до десятков сантиметров.
У направляющих волос стержни в основном веретенообразные, сужающиеся к вершине. Стержни остевых волос короче, чем у направляющих, равной толщины по длине и только ближе к вершине слегка сужаются.
Пуховые волосы тонкие, слегка волнистые и короткие.
Вибриссы и направляющие волосы немногочисленны, а основную массу волос составляют остевые и пуховые.
Для исследований лучше всего подходят направляющие и остевые, они имеют большие длину и толщину и потому более удобны при работе с ними.
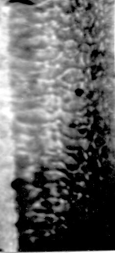
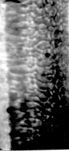
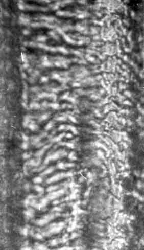
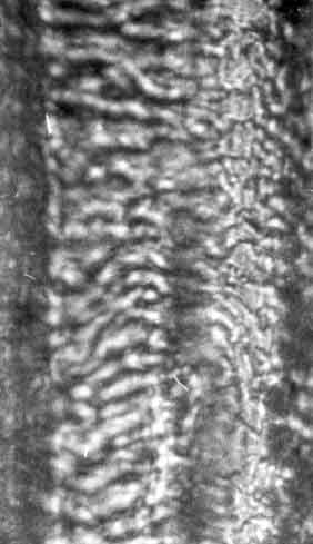
Стержень волоса имеет несколько слоев. Наружный называется кутикулой, отдельные его элементы напоминают черепицу или рыбьи чешуйки различной формы. Под кутикулой расположен корковый слой, и в середине сердцевина. Размеры, форма и расположение чешуек кутикулы различны у разных животных, и возникает соблазн использовать данные особенности для идентификации животного, но это обманчивое впечатление. У разных видов животных могут быть схожие по внешнему виду чешуйки кутикулы, и, кроме того, форма, размеры и расположение чешуек сильно разнятся по длине волоса. Поэтому публикуемые нередко фотографии внешнего вида волос, предположительно принадлежащих реликтовому гоминоиду, не могут считаться достоверными.
Сердцевина волоса состоит из рыхлых клеток, размеры и форма которых также различны у разных животных.
В настоящее время разработаны методы микроскопического анализа волос по особенностям кутикулы и сердцевины, которые позволяют определить принадлежность животного к тому или иному отряду млекопитающих, для чего используются каталоги фотографий волос этих животных (эталоны). Но эти методы бессильны, когда нужного эталона нет в каталоге.
В нашем случае приходится прибегать к более сложным методам биофизического, генетического и других биохимических исследований, разработанных в настоящее время.
При исследовании образцов волос, предположительно оставленных реликтовым гоминоидом, в России использовались два метода:
- метод электрофореза кератинов (Г. Синельникова, см. журнал «Химия и жизнь», №5, 1992 год);
- метод исследования спектров микроэлементов (В. Макаров).
Для исследований были взяты образцы волос, собранных на Северном Кавказе (Ж. И. Кофман) и на Памире (В. Макаров). Они были обнаружены при следующих обстоятельствах.
Кавказский образец, предположительно принадлежащий алмасты, был обнаружен в подстилке из веток и травы в небольшой пещере на склоне горы Джинал в Кабардино-Балкарии.
Среднеазиатский образец был извлечен из пучка волос в испражнениях собаки или волка на верхней террасе южного склона хребта Суркх в самой верхней части Нурекского водохранилища.
В обоих случаях исследованиям подвергались образцы волос человека, высших приматов, лошади и медведя, чьи внешние признаки и среда обитания оказались наиболее близкими реликтовому гоминоиду. Волосы овец и баранов были отсеяны при исследовании оптическими методами. Для исследования были взяты образцы длиной более 10 см, что исключало собачьих и грызунов.
Антрополог Г. Синельникова в 1992 году использовала хорошо известную методику электрофоретического «разгона» кератинов для кавказского и памиро-алайского образцов. Ее достижением является то, что она смогла получить белковые спектры при использовании микродоз препаратов — в ее распоряжении были только единичные образцы.
Ниже приводится ее заключение.
«Использован метод изучения кератинов волос человека и приматов при помощи изоэлектрического фокусирования в полиакрид-амидном геле (ПААГ). Данная методика позволяет выявлять существенные различия между образцами волос приматов разных таксонов, а для человека — статистически достоверно выявлять расовые и этнические особенности.
Результаты исследования:
Считаем целесообразным сообщить о двух аномальных образцах из коллекции волос „Российского общества криптозоологов“. Согласно информации криптозоологов, эти образцы были обнаружены на Северном Кавказе и Памиро-Алае.
При исследовании полученных фореграмм было установлено, что общая интенсивность средних фракций и четкость рисунка на всем протяжении фореграммы позволяют считать, что эти образцы являются ВОЛОСАМИ ПРИМАТОВ. Ближе всего электрофоретические картины этих образцов к фореграммам высших приматов, но от человекообразных обезьян их отличает сложный рисунок в области 14-1 фракции. В то же время ряд признаков (повышенная интенсивность 5-й фракции, иное значение р1 — изоэлектрической точки — 11-й фракции, аномалии рисунка в области 12—14-й фракций) не позволяют отнести их к человеческим.
Таким образом, есть основания предполагать, что в горах Кавказа и Памиро-Алая ОБИТАЕТ ПРИМАТ, таксономически близкий к человеку и человекообразным обезьянам».
О роли и значении различных микроэлементов в биологии животных и растений хорошо известно. Содержание микроэлементов в тканях живых организмов различно и зависит в первую очередь от вида животного или растения. Спектры распределения микроэлементов в живых организмах представляют большой интерес, так как вероятность случайного совпадения их, как показали специальные исследования, следующая:
- при 3 элементах она равна 1:4 800,
- при 5 элементах — 1:126 000,
- при 7 элементах — 1:4 250 000,
- при 11 элементах — 1:1 140 000 000, то есть этот метод обладает высочайшей точностью.
Этот метод позволяет с высокой точностью устанавливать личность преступника, родственные связи и т. д.
Сказанное выше позволяет использовать данный метод в практике изучения проблемы реликтовых гоминоидов.
Для исследований были взяты образец «1» (Памиро-Алай), волосы человека, человекообразных обезьян и некоторых других животных.
На приведенных спектрах, полученных с помощью гамма-активационного метода, мы видим отличия в распределении микроэлементов в образце «1» как от спектров человека, так и от спектров других животных.
Москва, 2003 г.
Фотографии
Внешний вид исследованных В. Макаровым волос под увеличением






Спектры микроэлементов, сравнение памирского образца с известными видами



